Top.Mail.Ru

Лебедка индустриальная WARN с тяговым усилением 20000 фунтов (9070 кг) с доставкой по всей России

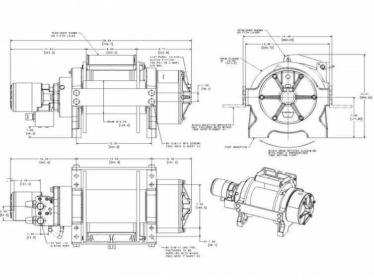
Лебедка гидравлическая WARN 20XL стандартный барабан,  ручное управление
  • Описание
  • Характеристики
  • PN 74750 (Стандартный барабан, Air Clutch) 

    PN 77550 (Стандартный барабан, Manual Clutch) 

    PN 77560 (Длинный барабан, Air Clutch) 

    PN 77570 (Длинный барабан, Manual Clutch) 


    20XL HYD Параметры

    Расчетное тяговое усилие: 20,000 фунтов (9,072 кг)

    Диаметр катушки барабана: 5.75 in (146 мм)

    Диаметр барабана по фланцам: 12.25 in (311 мм)

    Расстояние между фланцами, Короткий барабан: 8.0 in (203 мм)

    Расстояние между фланцами, Длинный барабан: 14 in (356 мм)

    Максимальный диаметр троса: 9/16 in (14.3 мм)

    Минимальная прочность на разрыв троса: 33600 фунтов (15241 кг)

    Приблизительный вес с упаковкой 74750 и 77550: 297 фунтов (135 кг)

    Приблизительный вес с упаковкой 77560 и 77570: 322 фунтов (146 кг)

    Рабочий цикл(с перерывами по SAE J706 пункт 6.2): 2760 футов (841.2 м)

    Момент затяжки установочного болта: 159 фт*lbf (216 N*m)

    Максимальное число слоев троса: 5

    Понижающая передача: 28.5:1

    Тип Тормоза: Дисковый

    Контактор / Тип управления: Н/Д

    Соответствие стандартам: 

    SAE J706

    CE Machinery Directive 98/37/EC and 2006/42/EC

     


    Аксессуары (Стандартный Барабан)

    Направляющая SRS-XL-STD: PN 77532

    Трос Assembly 9/16''x140' EIPS: PN 77451

    Snatch Block XL-60K LB: PN 80858

     


    Аксессуары (Длинный барабан)

    Направляющая SRS-XL-LONG: PN 77869

    трос Assembly 9/16''x245' EIPS: PN 77452

    Snatch Block XL-60K LB: PN 80858

     

    • Производитель: 756
    • Напряжение: 737
    • Назначение лебедки: 1260
    • Тяговое усилие фунты (кг): 1283
    • Материал троса: 1348
    Доставка
    Самовывоз
    по согласованию
    Доставка по Москве в пределах МКАД
    700 р
    Доставка за пределы МКАД и в Подмосковье
    700 р. + 50 руб./км
    (от МКАД)
    Доставка осуществляется в пределах Московского Малого Кольца ("бетонка"- 30-35 км от МКАД, дальние заказы - по согласованию с менеджером)
    Доставка в города России осуществляется транспортными компаниями в зависимости от Региона на основании действующих тарифов.
    Подробнее
    Оплата
    • Безналичная форма оплаты (выставление счета юридическому или физическому лицу)
    • Оплата наличными в магазине или курьеру.
    • Оплата на банковскую карту.
    • Оплата через сайт.
    Сравнение
    0
    Избранное
    0
    Корзина
    0