Top.Mail.Ru

Лебедка автомобильная ComeUp с тяговым усилением 8000 фунтов (3630 кг) с доставкой по всей России

Лебедка автомобильная спортивная электрическая COMEUP Seal MadX 8.0s 12V SD (EAC) короткий барабан без троса
  • Описание
  • Характеристики
  • Лебедка электрическая Seal MadX 8.0s SD 12V (EAC) с максимальной линейной скоростью 25 м/мин. Максимальное тяговое усилие 3 630 кг.

    Особенности:

    Лебедка для автоспорта, компактная, лёгкая и быстрая.
    Максимальное тяговое усилие 3 630 кг.
    Мотор мощностью 5 250 Вт / 7,0 л.с. обеспечивает превосходный крутящий момент 
    с максимальной линейной скоростью 25м/мин.
    Надежный и долговечный 3-х ступенчатый планетарный редуктор.
    Мощный, запатентованный в США, Германии, Великобритании и Франции, конический тормоз, с легкостью удерживает полную нагрузку и прост в обслуживании. 
    Алюминиевый корпус лебедки способен выдержать 2-х кратную максимальную нагрузку.
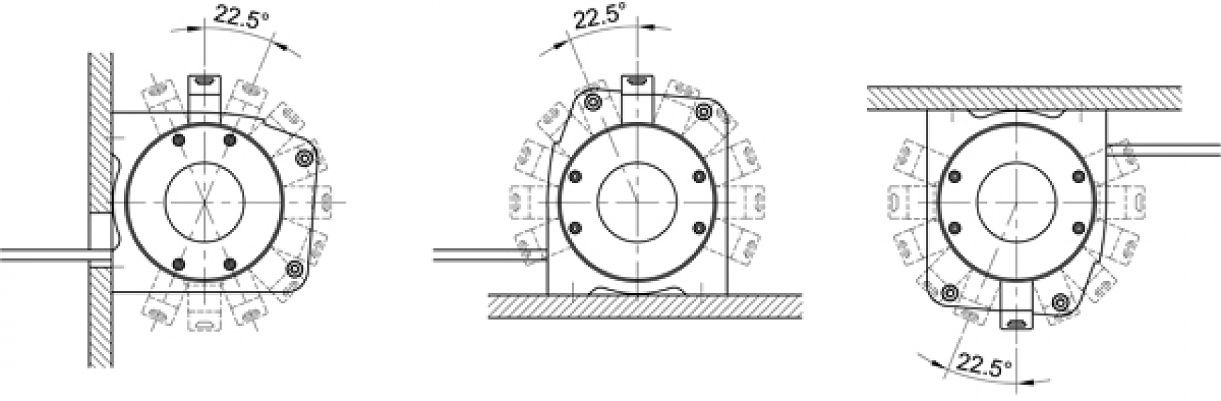
    Т-образная эргономичная рукоять для свободного разматывания троса (T-ручка перемещенная лишь легким поднятием-и-поворотом освобождает вращающуюся кольцевую шестерню для быстрого разматывания  троса. Корпус редуктора вместе с ручкой можно повернуть на 22.5 градусов в любую сторону, что дает возможность использовать бамперы различных конструкций.)
    Лебедка оснащена температурным датчиком и светодиодным индикатором перегрева.
    Герметичное исполнение IP68 — полная водо- и пыле-непроницаемость. Лебедка может работать в погружённом состоянии на глубине свыше 1м.
    ЕАС - Лебедка сертифицирована по правилам Таможенного союза

     

    Характеристики:

    Артикул: 296082 (12В)
    Тяговое усилие: 3 630 кг
    Мотор 12В: 5 250 Вт / 7.0 л.с.
    Редуктор:  3-х ступенчатый планетарный
    Передаточное число:  67 : 1
    Тормоз (снаружи барабана):  автоматический,  конический CBS.
    Рекомендованные параметры АКБ: минимум 650 ССА для лебедки
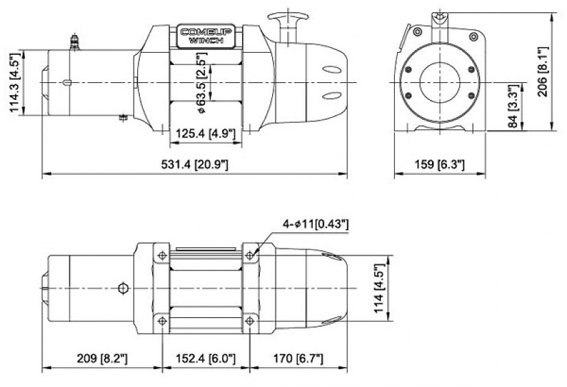
    Размер барабана (мм x мм): 63.5 x 125.4
    Монтажный шаблон (мм x мм):  152.4 x 114

    Комплектация:

    Съемный блок управления
    Дистанционный пульт управления с кабелем 5 м
    Клюз
    2 кабеля подключения к АКБ 1.8м
    • Производитель: 771
    • Напряжение: 734
    • Назначение лебедки: 1259
    • Тяговое усилие фунты (кг): 1269
    • Пульт управления: 1323
    • Материал троса: 1348
    Доставка
    Самовывоз
    по согласованию
    Доставка по Москве в пределах МКАД
    700 р
    Доставка за пределы МКАД и в Подмосковье
    700 р. + 50 руб./км
    (от МКАД)
    Доставка осуществляется в пределах Московского Малого Кольца ("бетонка"- 30-35 км от МКАД, дальние заказы - по согласованию с менеджером)
    Доставка в города России осуществляется транспортными компаниями в зависимости от Региона на основании действующих тарифов.
    Подробнее
    Оплата
    • Безналичная форма оплаты (выставление счета юридическому или физическому лицу)
    • Оплата наличными в магазине или курьеру.
    • Оплата на банковскую карту.
    • Оплата через сайт.
    Сравнение
    0
    Избранное
    0
    Корзина
    0