Top.Mail.Ru

Лебедка автомобильная ComeUp с тяговым усилением 16500 фунтов (7485 кг) с доставкой по всей России

Лебедка автомобильная электрическая COMEUP Seal Gen2 16.5rs 12V (EAC) синтетический трос
  • Описание
  • Характеристики
  • Лебедка автомобильная электрическая COMEUP Seal Gen2 16.5rs 12V (EAC), с синтетическим тросом и пультом радиоуправления. Тяговое усилие - 7 484 кг.

    Особенности:

    Лебедка оснащена герметичным мотором с высоким крутящим моментом и большой линейной скоростью.
    Надежный и долговечный 3-х ступенчатый планетарный редуктор.
    Мощный, запатентованный в США, Германии, Великобритании и Франции, конический тормоз, с легкостью удерживает полную нагрузку и прост в обслуживании. 
    Алюминиевый корпус лебедки способен выдержать 2-х кратную максимальную нагрузку.
    Т-образная эргономичная рукоять для свободного разматывания троса (T-ручка перемещенная лишь легким поднятием-и-поворотом освобождает вращающуюся кольцевую шестерню для быстрого разматывания  троса. Корпус редуктора вместе с ручкой можно повернуть на 90 градусов в любую сторону, что дает возможность использовать бамперы различных конструкций.)
    Лебедка оснащена температурным датчиком и светодиодным индикатором перегрева.
    Влагозащищенный пульт дистанционного управления с индикаторами перегрева и кабелем длиной 5м.
    Идеальный выбор для установки на тяжелый внедорожник.
    Герметичный пульт радиоуправления с дистанцией до 30м снабжен удобными кнопками и светодиодной индикацией.
    Герметичное исполнение IP68 — полная водо- и пыле-непроницаемость. Лебедка может работать в погружённом состоянии на глубине свыше 1м.
    ЕАС - Лебедка сертифицирована по правилам Таможенного союза 
     

    Характеристики:

    Артикул: PN 295651
    Тяговое усилие: 7 484 кг
    Мотор 12В: 4 325 Вт / 5.8 л.с.
    Редуктор:  3-х ступенчатый планетарный
    Передаточное число:  343 : 1
    Тормоз (снаружи барабана):  автоматический,  конический CBS.
    Трос (мм x м): 12 × 25
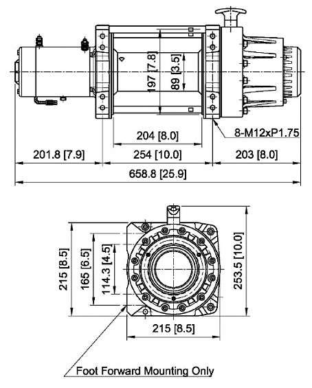
    Монтажный шаблон (мм x мм):  254 x 114.3
    • Производитель: 771
    • Напряжение: 734
    • Назначение лебедки: 1259
    • Тяговое усилие фунты (кг): 1270
    • Пульт управления: 1324
    • Материал троса: 1347
    Доставка
    Самовывоз
    по согласованию
    Доставка по Москве в пределах МКАД
    700 р
    Доставка за пределы МКАД и в Подмосковье
    700 р. + 50 руб./км
    (от МКАД)
    Доставка осуществляется в пределах Московского Малого Кольца ("бетонка"- 30-35 км от МКАД, дальние заказы - по согласованию с менеджером)
    Доставка в города России осуществляется транспортными компаниями в зависимости от Региона на основании действующих тарифов.
    Подробнее
    Оплата
    • Безналичная форма оплаты (выставление счета юридическому или физическому лицу)
    • Оплата наличными в магазине или курьеру.
    • Оплата на банковскую карту.
    • Оплата через сайт.
    Сравнение
    0
    Избранное
    0
    Корзина
    0